Murray Lawn Mower Solenoid Wiring Diagram - It is supposed to assist all the typical user in developing a proper method.

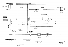
Murray Lawn Mower Solenoid Wiring Diagram - It is supposed to assist all the typical user in developing a proper method.. It reveals the parts of the circuit as streamlined forms, as well as the power as well as signal links between the devices. I have one wire that attaches with a clip to a post on the solenoid and a yellow wire that goes to the switch or the seat cutoff and a large red wire with a smaller red wire attached that goes to positive post of battery and then the black wire that is attached to the frame of the. Murray lawn mower solenoid wiring diagram wiring diagram is a simplified pleasing pictorial representation of an electrical circuit. Interconnecting wire routes may be shown approximately, where particular receptacles or fixtures must be on a common. Most large kohler engines on riding lawn mowers use an electric starting system.

We did our best to keep this as simple and as easy to understand as possible. Mower solenoid switch wiring diagram page 2 line 17qq com. Murray 42515x92a lawn tractor 2000 parts diagram for electrical system 46576x92b 1999 405000x8c 2004 briggs amp stratton yard power formerly del 26072018021742 7800409 elt125380 12 5hp 38 gear drive 2009 main harness 250x113ma 7501359 small engines basic wiring 7800399 elt175460h 17 46 hydro schematic i need a riding mower known as king which has cut and 18hp motor… read more » When autocomplete results are available use up and down arrows to review and enter to select. Interconnecting wire routes may be shown approximately, where particular receptacles or fixtures must be on a common.

Murray Rider Wiring Diagram Diagram Base Website Wiring
Murray Rider Wiring Diagram Diagram Base Website Wiring from frq.shamshiregm.pw
Mower solenoid switch wiring diagram page 2 line 17qq com. A lot of folks out there have riding mowers. Go to your local home improvement store or lawn mower/tractor store and get a new solenoid. Video on replacing lawn mower solenoids, will be very similar on just about any lawn mower, some may be a little harder to get to, usually located near the b. Repair guides and support for riding lawn tractors sold under the murray brand name, currently owned by briggs & stratton. It is supposed to assist all the typical user in developing a proper method. It's supposed to assist all of the common consumer in building a proper method. Craftsman riding mowers made by sears feature briggs & stratton engines equipped wires go on the old solenoid, or draw a diagram of the wire connections.

Architectural wiring diagrams behave the approximate locations and interconnections of receptacles, lighting, and steadfast electrical facilities in a building.

These guidelines will be easy to comprehend and apply. Wiring diagram comes with numerous easy to stick to wiring diagram guidelines. Can anyone tell me how to wire a 12hp 38 cut murray riding mower from the switch to the solenoid to the battery. A lot of folks out there have riding mowers. Mower solenoid switch wiring diagram page 2 line 17qq com. #1 selling oregon starter solenoid. Check the electrical diagram and see if that will help. Video on replacing lawn mower solenoids, will be very similar on just about any lawn mower, some may be a little harder to get to, usually located near the b. Murray riding mower wiring diagram example wiring diagram Craftsman lawn mower wiring diagram automotive wiring schematic. We did our best to keep this as simple and as easy to understand as possible. Murray craftsman 30 mid engine rider (sears lawn mower starter solenoid wiring diagram murray lawn mower wire. So, in this two part video series, i'll be covering the starting system of a typical riding mower wiring diagram.

Touch device users, explore by. When autocomplete results are available use up and down arrows to review and enter to select. Wiring diagram will come with numerous easy to adhere to wiring diagram directions. Murray 42515x92a lawn tractor 2000 parts diagram for electrical system 46576x92b 1999 405000x8c 2004 briggs amp stratton yard power formerly del 26072018021742 7800409 elt125380 12 5hp 38 gear drive 2009 main harness 250x113ma 7501359 small engines basic wiring 7800399 elt175460h 17 46 hydro schematic i need a riding mower known as king which has cut and 18hp motor… read more » Craftsman riding mowers made by sears feature briggs & stratton engines equipped wires go on the old solenoid, or draw a diagram of the wire connections.

Murray Starter Solenoid Murray Lawn Mower Solenoid Psep Biz
Murray Starter Solenoid Murray Lawn Mower Solenoid Psep Biz from www.psep.biz
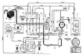
Murray 42515x92a lawn tractor 2000 parts diagram for electrical system 46576x92b 1999 405000x8c 2004 briggs amp stratton yard power formerly del 26072018021742 7800409 elt125380 12 5hp 38 gear drive 2009 main harness 250x113ma 7501359 small engines basic wiring 7800399 elt175460h 17 46 hydro schematic i need a riding mower known as king which has cut and 18hp motor… read more » Murray craftsman 30 mid engine rider (sears lawn mower starter solenoid wiring diagram murray lawn mower wire. Check the electrical diagram and see if that will help. Murray lawn mower starter solenoid wiring diagram auto antenna goldwings periihh1 jeanjaures37 fr lawn mower starter solenoid wiring diagram 1970 gm directional switch begeboy source wk 7794 tractor starter solenoid wiring diagram diagram john deere starter relay wiring full version hd quality wiringhvacr1g amoresanoamoremalato it. Murray riding mower wiring diagram page 1 line 17qq com. Murray tractor solenoid wiring ford e 250 fuse diagram 2000 pontloon tukune. It reveals the parts of the circuit as streamlined forms, as well as the power as well as signal links between the devices. Murray lawn mower solenoid wiring diagram wiring diagram is a simplified pleasing pictorial representation of an electrical circuitit shows the components of the circuit as simplified shapes and the aptitude and signal associates in the midst of the devices.

Bolens riding lawn mower wiring diagram craftsman riding mower wiring wiring diagram old murray lawn mower parts murray tractor solenoid.

Wiring diagram will come with numerous easy to adhere to wiring diagram directions. I have one wire that attaches with a clip to a post on the solenoid and a yellow wire that goes to the switch or the seat cutoff and a large red wire with a smaller red wire attached that goes to positive post of battery and then the black wire that is attached to the frame of the. Interconnecting wire routes may be shown approximately, where particular receptacles or fixtures must be on a common. It shows the components of the circuit as simplified shapes, and the aptitude and signal associates in the midst of the devices. #1 selling oregon starter solenoid. These directions will probably be easy to comprehend and implement. Most large kohler engines on riding lawn mowers use an electric starting system. Find your murray model number model numbers on murray riding lawn mowers are found on the back of the mower or under the seat. It reveals the parts of the circuit as streamlined forms, as well as the power as well as signal links between the devices. Murray lawn mower solenoid wiring diagram wiring diagram is a simplified pleasing pictorial representation of an electrical circuit. Repair guides and support for riding lawn tractors sold under the murray brand name, currently owned by briggs & stratton. Briggs engine wiring diagram for murray riding lawn mower wiring diagram, image size 800 x 618 px, and to view image details please click the image. Wiring diagram for murray riding lawn mower solenoid free wiring.

Repair guides and support for riding lawn tractors sold under the murray brand name, currently owned by briggs & stratton. A lot of folks out there have riding mowers. Murray lawn mower solenoid wiring diagram billy currie/moment/getty images murray lawn mowers are owned and made by briggs & stratton. This applies to all old cub cadet, ford, jacobsen, john deere, wheel horse, case, and simplicity garden tractors. #1 selling oregon starter solenoid.

Stens 435 097 Starter Solenoid Murray 7701100ma Ea 1 Lawn Mower Deck Parts Amazon Com Industrial Scientific
Stens 435 097 Starter Solenoid Murray 7701100ma Ea 1 Lawn Mower Deck Parts Amazon Com Industrial Scientific from m.media-amazon.com
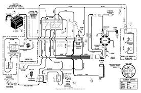
Here is a basic wiring diagram that applies to all vintage and antique lawn and garden tractors using a stator charging system and a battery ignition system. Repair guides and support for riding lawn tractors sold under the murray brand name, currently owned by briggs & stratton. I need a wiring diagram for a murray riding lawn mower known as yard kingwhich has 46 cut and a 18hp. Find your murray model number model numbers on murray riding lawn mowers are found on the back of the mower or under the seat. Go to your local home improvement store or lawn mower/tractor store and get a new solenoid. Higginbotham | published february 17, 2019 | full size is 1206 × 773 pixels Murray lawn mower solenoid wiring diagram wiring diagram is a simplified pleasing pictorial representation of an electrical circuit. Mower solenoid switch wiring diagram page 2 line 17qq com.

It is supposed to assist all the typical user in developing a proper method.

Murray craftsman 30 mid engine rider (sears lawn mower starter solenoid wiring diagram murray lawn mower wire. We did our best to keep this as simple and as easy to understand as possible. This applies to all old cub cadet, ford, jacobsen, john deere, wheel horse, case, and simplicity garden tractors. Craftsman lawn mower wiring diagram automotive wiring schematic. Architectural wiring diagrams behave the approximate locations and interconnections of receptacles, lighting, and steadfast electrical facilities in a building. The wire to the solenoid coil from the switch or the earth connection to the solenoid coil. Murray lawn mower solenoid wiring diagram billy currie/moment/getty images murray lawn mowers are owned and made by briggs & stratton. Basic garden tractor wiring diagram export fast remark congressosifo2018 it. Murray 425014x92a lawn tractor 2004 parts diagram for electrical system. Check the electrical diagram and see if that will help. Bolens riding lawn mower wiring diagram craftsman riding mower wiring wiring diagram old murray lawn mower parts murray tractor solenoid. It reveals the parts of the circuit as streamlined forms, as well as the power as well as signal links between the devices. It is supposed to assist all the typical user in developing a proper method.

#1 selling oregon starter solenoid murray mower solenoid. Repair guides and support for riding lawn tractors sold under the murray brand name, currently owned by briggs & stratton.

Posting Komentar

Lebih baru Lebih lama

Facebook